全(quán)國服務熱線
13706666790
地(dì)址:浙江省溫州(zhōu)市永嘉縣瓯北(bei)鎮五星工業區(qu)

硬密封蝶閥 當(dang)前位置: 法蘭閘(zha)閥廠家> 産品中(zhong)心> 硬密封蝶閥(fa)> DS341X伸縮蝶閥
![]() |

DS341X伸縮(suo)蝶閥适用于溫(wēn)度≤80℃,公稱壓力≤1.6MPa的(de)食品、醫藥、化工(gong)、石油、電力、輕紡(fang)、造紙等給排水(shui)、氣體管道上作(zuo)調節☂️流量和截(jié)流介質的作用(yong),具有補償管道(dao)熱脹冷縮的功(gōng)能。其主要特點(dian)如☂️下:設計⛱️新穎(yǐng)、合🚶理、結構獨Te、重(zhong)量輕、操作方便(bian)、啟閉迅速。
DS341X伸縮(suo)蝶閥除了能作(zuo)調節和截流作(zuo)用、補償管道溫(wēn)差所産生的熱(rè)脹冷縮功能外(wài),還能為安裝更(geng)換、維修閥門提(tí)😘供方☀️便。密封部(bù)位可調節更換(huan)、密封性能可靠(kao)等特點。
産品詳情
氣(qi)動伸縮蝶閥主(zhu)要零件的材質(zhi)
零件名稱 | 材料(liao) |
閥體 | 鑄鐵、鑄鋼(gāng)、不鏽鋼、鉻钼鋼(gang)、合金鋼 |
蝶闆 | 鑄(zhù)鋼、合金鋼、不鏽(xiu)鋼、鉻钼鋼 |
密封(feng)圈 | 橡膠、聚四氟(fu)、聚内脂、不鏽鋼(gāng) |
閥杆 | 2Cr13、不鏽鋼、鉻(ge)钼鋼 |
伸縮管 | 鑄(zhu)鐵、鑄鋼、不鏽鋼(gang)、鉻钼鋼 |
填料 | 柔(róu)性石墨 |
DS341X伸縮蝶(dié)閥主要技術參(can)數
公稱通徑 | DN(mm) | 50~2000 | ||
公(gōng)稱壓力 | PN(MPa) | 0.6 | 1.0 | 1.6 |
試驗壓(yā)力 | 強度試驗 | 0.9 | 1.5 | 2.4 |
密(mì)封試驗 | 0.66 | 1.1 | 1.76 | |
氣密封(fēng)試驗 | 0.6 | 0.6 | 0.6 | |
适用溫度(du) | ≤80℃ | |||
适用介質 | 空氣(qì)、水、蒸氣、煤氣、油(you)品等。 | |||
驅動形式(shì) | 手動、蝸杆蝸輪(lún)傳動、氣傳動、電(dian)傳動。 | |||
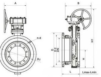
DS341X伸縮蝶閥(fá)結構圖

氣(qì)動伸縮蝶閥主(zhǔ)要連接及外形(xíng)尺寸
公稱通徑(jing) | 外形尺寸(參考(kao)值) | 法蘭尺寸和(he)螺栓孔尺寸(标(biao)準值) | ||||||||||
H | H1 | Zui大長度 | Zui小(xiao)長度 | 設計長度(du) | A | B | 0.6MPa | |||||
mm | in | D | D1 | D2 | n-d | |||||||
50 | 2 | 80 | 309 | 164 | 138 | 151 | 180 | 200 | 140 | 110 | 88 | 4-14 |
65 | 21/2 | 95 | 337 | 190 | 154 | 172 | 180 | 200 | 160 | 130 | 108 | 4-14 |
80 | 3 | 98 | 347 | 198 | 166 | 182 | 180 | 200 | 190 | 150 | 124 | 4-18 |
100 | 4 | 114 | 373 | 228 | 188 | 208 | 180 | 200 | 210 | 170 | 144 | 4-18 |
125 | 5 | 128 | 405 | 240 | 204 | 550 | 180 | 200 | 240 | 200 | 174 | 8-18 |
150 | 6 | 139 | 440 | 246 | 206 | 226 | 270 | 280 | 265 | 225 | 199 | 8-18 |
200 | 8 | 174 | 612 | 265 | 219 | 242 | 400 | 425 | 320 | 280 | 254 | 8-18 |
250 | 10 | 215 | 693 | 295 | 240 | 267 | 400 | 425 | 375 | 335 | 309 | 12-16 |
300 | 12 | 245 | 747 | 308 | 265 | 282 | 450 | 560 | 440 | 395 | 363 | 12-16 |
350 | 14 | 270 | 802 | 327 | 272 | 300 | 450 | 560 | 490 | 445 | 413 | 12-16 |
400 | 16 | 305 | 991 | 368 | 308 | 338 | 535 | 580 | 540 | 495 | 163 | 16-22 |
450 | 18 | 325 | 1037 | 370 | 310 | 340 | 535 | 580 | 595 | 550 | 518 | 16-22 |
500 | 20 | 360 | 1127 | 392 | 332 | 362 | 535 | 580 | 645 | 600 | 568 | 20-22 |
600 | 24 | 445 | 1377 | 441 | 375 | 408 | 570 | 660 | 755 | 705 | 667 | 20-26 |
700 | 28 | 505 | 1496 | 460 | 400 | 430 | 750 | 550 | 860 | 810 | 772 | 24-26 |
800 | 32 | 560 | 1584 | 499 | 445 | 475 | 750 | 550 | 975 | 920 | 878 | 24-30 |
900 | 36 | 630 | 1676 | 520 | 460 | 490 | 750 | 550 | 1075 | 1020 | 978 | 24-30 |
1000 | 40 | 680 | 1760 | 600 | 530 | 565 | 900 | 750 | 1175 | 1120 | 1078 | 28-30 |
1200 | 48 | 795 | 2018 | 675 | 571 | 623 | 1000 | 925 | 1405 | 1340 | 1295 | 32-33 |
1400 | 56 | 900 | 2363 | 760 | 683 | 722 | 1000 | 925 | 1630 | 1560 | 1510 | 36-36 |
1600 | 64 | 1100 | 2723 | 860 | 770 | 815 | 1000 | 925 | 1830 | 1760 | 1710 | 40-36 |
1800 | 72 | 1124 | 2844 | 930 | 830 | 880 | 1100 | 980 | 20475 | 1970 | 1718 | 44-39 |
2000 | 80 | 1292 | 3127 | 1020 | 920 | 970 | 1100 | 980 | 2265 | 2180 | 2125 | 48-42 |
上一條:氣動防(fang)爆蝶閥
下一條(tiáo):法蘭(lán)蝶閥
相關新(xīn)聞
緻力于閥門生(sheng)産研發 創造更(gèng)多無限可能
該(gai)網站所有産品(pin)圖及宣傳圖片(pian)屬于上滬所有(you),任何個🚶♀️人👣和組(zǔ)織不得使用,盜(dào)用必究。

微信關注
全(quán)國服務熱線
13706666790
地(dì)址:浙江省溫州(zhōu)市永嘉縣瓯北(bei)鎮五星工業區(qu)
COPYRIGHT © 2019 浙江上滬閥門(men)有限公司 版權(quan)所有 浙ICP備20009318号-1 硬(yìng)密封蝶閥 渦輪(lun)蝶閥 法蘭保溫(wen)全焊接球閥 法(fǎ)蘭蝶閥網站地(di)圖
•
·